隨著城市化進程的加速和人口增長,對優質水資源的需求顯著增加,這種增長趨勢為二次供水調峰增壓泵站提供了廣闊的市場空間。
其次,智慧水務平臺的建設和運營提高了供水效率和服務質量,降低了運營成本。通過構建智慧水務平臺,可以實現供水系統的信息化、智能化管理,實時監測水質、水量和水壓等參數,及時發現并解決問題。這種技術創新不僅提高了供水系統的可靠性和效率,也推動了二次供水調峰增壓泵站的技術升級和應用?。
此外,政策支持也是二次供水調峰增壓泵站發展的重要推動力。通過出臺相關政策鼓勵社會資本參與供水設施建設和運營,推動供水產業的市場化進程。同時,政策也加強對供水行業的監管力度,確保供水安全和服務質量?。
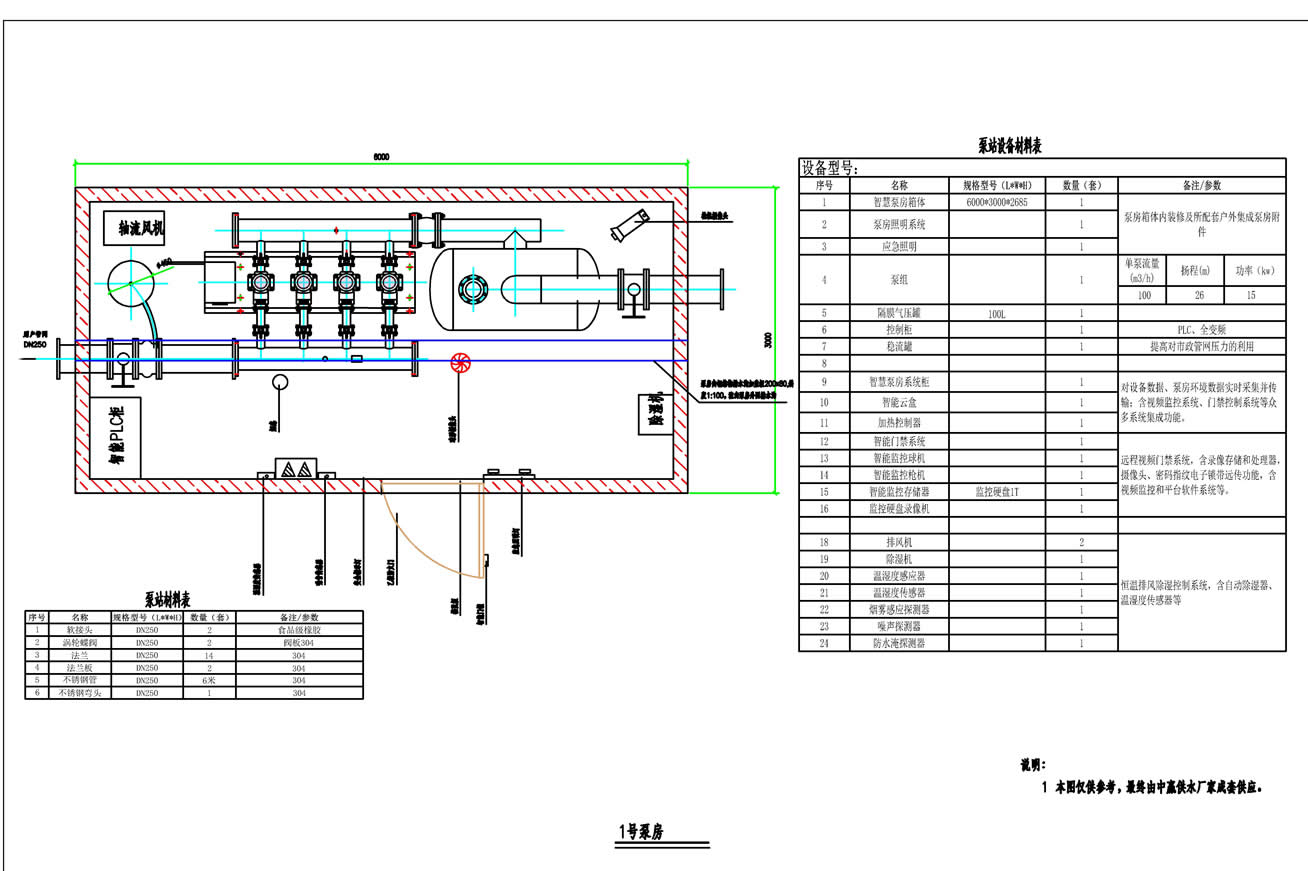
在具體應用場景方面,二次供水調峰增壓泵站主要用于解決高峰期供水不足的問題,確保居民和企業的正常用水需求。特別是在鄉鎮自來水管道改造中,智慧型戶外增壓供水泵站的興起為鄉鎮供水體系帶來了新的技術支撐,提升了鄉鎮供水的質量和效率?。二次供水調峰增壓泵站的前景非常廣闊,主要得益于城市化進程的加速、智慧水務平臺的建設以及政策支持。
二次供水調峰增壓泵站的優點主要包括以下幾個方面?:
?提高供水效率和水壓穩定性?:調峰增壓泵站能夠在低負荷情況下只開啟低揚程泵站進行供水,從而降低能耗;在高負荷情況下,同時開啟兩個泵站進行供水,提高供水效率,緩解城市供水壓力?。此外,增壓泵站利用夜間低谷期段補水,高峰時段啟用增壓泵站提高水壓,有效解決水壓不足的問題?。
?節能減排?:二次供水調峰增壓泵站能夠根據實際需求調節水泵運行速度,避免無效的能量消耗,從而降低能耗和二氧化碳排放,達到節能減排的目的?。例如,長沙市的調峰兩次供水系統通過低負荷時只開啟低揚程泵站的方式,年節省電費。
?延長設備壽命?:二次供水調峰增壓泵站通過調整水泵運行速度,減少頻繁啟停對水泵的沖擊,降低設備磨損,從而延長設備使用壽命?。
?保護功能齊全?:大多數供水調峰增壓泵站具有缺水、過流、過載、欠壓、過壓、超高壓、低水壓保護等功能,確保系統的安全穩定運行?。
?提高供水可靠性?:增加備用泵站,提高供水可靠性,減少突發事故的影響。例如,湖南省的調峰兩次供水系統不僅節省了大量電費,還提高了供水可靠性?。
Copyright ? 2020 長沙中贏供水設備 備案號:湘ICP備13004028號-4